Exmark EXS20KC2 Exmark Explorer ZeroTurn Mower, 20HP Kohler (SN

Exmark Parts Diagram. exmark lazer z parts diagram Find exactly what you need by browsing through Product Lines, Series and Model Number to find the Parts and Interactive Diagrams for your Exmark. Exmark Parts Diagrams *S/N 919,999 and Below (2010 and Prior Models) *S/N 920,000-989,999 (2011 Models) Mower

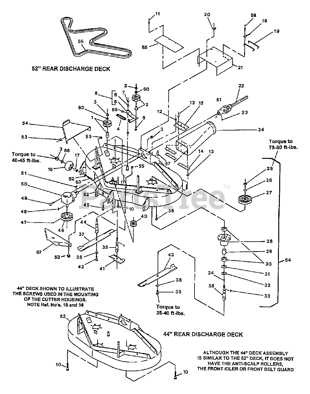
Exmark 30 Parts Diagram
Exmark 30 Parts Diagram from guidelibaspherical.z13.web.core.windows.net

Your Exmark equipment has a factory model number and serial number on a sticker-like label or metallic tag attached to the unit in a place away from moving parts (usually near the handle, under the seat, or on the side of the unit) Lazer Z Parts Lookup & Diagrams Exmark Zero-Turn Mowers: Lazer Z ( 360 Models) Filter Results

Exmark 30 Parts Diagram

Access accurate diagrams to ensure proper belt installation and maintenance NAV20KC - Exmark Navigator Front Mount Mower, 20hp Kohler (SN: 510000 - 599999) (2005). When using the Exmark parts diagram, pay attention to part numbers and cross-reference them with the model of your equipment

Exmark 30 Parts Diagram. Your Exmark equipment has a factory model number and serial number on a sticker-like label or metallic tag attached to the unit in a place away from moving parts (usually near the handle, under the seat, or on the side of the unit) Shop genuine Exmark parts for your lawnmower online 24/7/365 and have them delivered directly to your shop or home

Exmark RAS708GEM523C3 S/N 402,082,300 & Up Parts Diagram for Complete. Find exactly what you need by browsing through Product Lines, Series and Model Number to find the Parts and Interactive Diagrams for your Exmark. The best way to buy repair parts for your Exmark is to begin by searching for your Exmark model number on PartsTree and use the OEM Exmark parts diagrams to find.